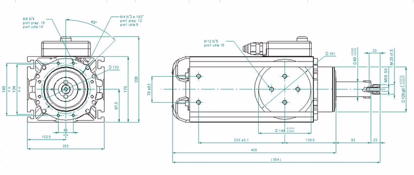
MQH-1 8/6 9 SHAFT D40

  • Suitable for continuous cycle machining on woodworking machines
  • Power range 8-13 kW
  • Spindle rotation sensor

ADVANTAGES

  • Ideal for demanding machining operations
  • Spindles available in various lengths and diameters
  • Simple and economical configuration of the machinery

Reviews

There are no reviews yet.

Be the first to review “MQH-1 8/6 9 SHAFT D40”

Your email address will not be published. Required fields are marked *

Shopping Cart